my digital garden
Search
Ctrl K
my digital garden
Search
Ctrl K
content
about me
the green house
011
011 year 1
PX153 - mathematics for physicists
PX153 - 0 - mathematics for physicists
term 1
PX153 - A - vectors
A - vectors
PX153 - A0
PX153 - A1 - notation and geometrical representation
PX153 - A2 - cartesian coordinates and vector components
PX153 - A3 - position, velocity and acceleration vectors
PX153 - A4 - vector operations
PX153 - A5 - coordinate systems
PX153 - A6 - advanced vector operations
PX153 - A7 - reciprocal vectors
PX153 - B - complex numbers
B - complex numbers
PX153 - B1 - basic operations and the argand diagram
PX153 - B2 - polar representation
PX153 - B3 - de moivre's theorem
PX153 - B4 - application - first look at smh
PX153 - B5 - application - describing damped SHM
PX153 - B5.1 - underdamping
PX153 - B5.2 - overdamping
PX153 - B5.3 - critical damping
PX153 - C - first order ODEs
C - first order ODEs
PX153 - C1 - introduction and definitions
PX153 - C2 - construction of ODEs
PX153 - C3 - direct integration
PX153 - C4 - separation of variables
PX153 - C5 - substitution
PX153 - C6 - integrating factor
PX153 - D - second order ODEs
D - second order ODEs
PX153 - D1 - definitions
PX153 - D2 - solving 2nd order homogeneous ODEs
PX153 - D3 - reducing a non-linear ODE to a linear ODE
PX153 - E - second order inhomogeneous ODEs
E - second order inhomogeneous ODEs
PX153 - E1 - recap and introduction
PX153 - E2 - method of undetermined coefficients
PX153 - E3 - driven damped simple harmonic motion
PX153 - E4 - method of variation of parameters
PX153 - F - series
F - series
PX153 - F1 - taylor series
PX153 - F2 - convergence of a series
PX153 - F3 - estimating the sum of a series
PX155 - F4 - power series and taylor series revisited
PX153 - G - functions of many variables, calculus
G - calculus of functions of many variables
PX153 - G1 - partital differentiation
PX153 - G2 - the total differential, and exact and inexact differentials
PX153 - G3 - partial differential equations
PX153 - G4 - taylor expansion of a function of two variables
PX153 - G5 - critical points of a function of two variables
PX153 - H - gradients of scalar functions of many variables
H - gradient of a scalar function
PX153 - H1 - directional derivative and gradient vector of scalar functions
PX153 - H2 - visualising variability of a scalar function - contours
PX153 - H3 - gradients of functions of three variables
PX153 - H4 - application of gradient in physics - the potential of a conservative force
PX153 - H5 - coordinate systems revisited
PX153 - H6 - gradient operator
term 2
PX153 - I - integration
I - integration
PX153 - I1 - introduction
PX153 - I10 - conservative fields
PX153 - I11 - surface integrals
PX153 - I2 - multiple integrals
PX153 - I3 - domain of integration
PX153 - I4 - non-rectangular domain of integration
PX153 - I5 - summary of integrals in 3D
PX153 - I6 - volume integrals
PX153 - I7 - other coordinate systems
PX153 - I8 - summary of multidimensional integrals
PX153 - I9 - line integrals
PX153 - J - fourier series
J - fourier series
PX153 - J1 - introduction
PX153 - J10 - examples
PX153 - J2 - convergence
PX153 - J3 - proofs and derivations
PX153 - J4 - periodic extensions
PX153 - J5 - symmetric and antisymmetric functions
PX153 - J6 - parseval's theorem
PX153 - J7 - general interval
PX153 - J8 - sine and cosine series
PX153 - J9 - overshoot and gibbs phenomenon
PX153 - K - linear algebra
K - linear algebra
PX153 - K0 - outline
PX153 - K1 - terminology of matrices
PX153 - K10 - special matrices
PX153 - K11 - matrix operation on vectors
PX153 - K12 - eigenvectors and eigenvalues
PX153 - K13 - additional properties
PX153 - K14 - basis changes and similarity transformations
PX153 - K15 - similarity transformation
PX153 - K16 - diagonalization
PX153 - K17 - properties of diagonalization
PX153 - K2 - matrix operations
PX153 - K3 - solving simultaneous equations
PX153 - K4 - row-reduced echelon form (gaussian elimination)
PX153 - K5 - trace and determinants
PX153 - K6 - properties of determinants
PX153 - K7 - matrix inverse
PX153 - K8 - properties of matrix inverses
PX153 - K9 - LU decomposition method
review before exam
PX154 - physics foundations
PX154 - 0 - physics foundations
PX154 - A - dimensional analysis
A - dimensional analysis
PX154 - A1 - dimensional analysis
PX154 - A2 - dimensions
PX154 - A3 - applying dimensional analysis
PX154 - B - thermal physics
B - thermal physics
PX154 - B1 - heat and temperature
PX154 - B2 - thermal expansion
PX154 - B3 - heat capacity
PX154 - B4 - heat transfer mechanisms
PX154 - C - thermal physics 2
C - thermal physics 2
PX154 - C1 - ideal gas equation of state
PX154 - C10 - heat capacity of solids
PX154 - C2 - pV diagrams
PX154 - C3 - a real gas equation of state
PX154 - C4 - pV diagrams 2
PX154 - C5 - phase diagrams
PX154 - C6 - kinetic-molecular model of the ideal gas
PX154 - C7 - maxwell-boltzmann distribution
PX154 - C8 - collisions between molecules
PX154 - C9 - heat capacity of the ideal gas
PX154 - D - the first law of thermodynamic
D - the first law of thermodynamics
PX154 - D1 - introduction
PX154 - D2 - the first law
PX154 - D3 - work and the pV diagram
PX154 - D4a - isobars
PX154 - D4b - isochore
PX154 - D4c - isotherm
PX154 - D4d - interlude
PX154 - D4e - adiabat
PX154 - D5 - summary of processes
PX154 - E - the second law of thermodynamics
E - the second law of thermodynamics
PX154 - E1 - work done along different paths in the pV diagram
PX154 - E2 - heat engine cycles and the pV diagram
PX154 - E3 - the second law of thermodynamics
PX154 - E4 - the carnot cycle
PX154 - E5 - reversible and irreversible processes
PX154 - E6a - introduction to entropy
PX154 - E6b - quantitative definition of entropy
PX154 - E6c - adiabatic processes
PX154 - F - waves
F - waves
PX154 - F1a - concepts and definitions
PX154 - F1b - the wave function
PX154 - F1c - propagation
PX154 - F2 - the wave equation
PX154 - F3a - principle of superposition
PX154 - F3b - beats
PX154 - F4 - wave groups and group velocity
PX154 - G - mechanical waves
G - mechanical waves
PX154 - G1a - waves on a taut string
PX154 - G1b - transfer of power by the wave
PX154 - G2 - longitudinal waves along a bar (1D)
PX154 - G3 - shear waves
PX154 - G4 - three dimensional solids - bulk waves
PX154 - G5 - waves in bulk gases - sound waves
PX154 - G6 - the doppler effect
PX154 - H - waves at boundaries
H - waves at boundaries
PX154 - H1 - fixed and free ends
PX154 - H2 - two strings joined together - transmission and reflection
PX154 - H3 - standing waves and normal modes
PX154 - I - light
I - light
PX154 - I1 - the nature of light
PX154 - I2 - polarization
PX154 - I3 - polarized and unpolarized light
PX154 - I4 - propagation of light
PX154 - I5 - snell's law
PX154 - I6 - transmission and reflection coefficients for light
review before exam
PX155 - classical mechanics and special relativity
PX155 - 0 - classical mechanics and special relativity
classical mechanics
PX155 - A - foundations of classical mechanics
A - foundations of classical mechanics
PX155 - A1 - newton's first law
PX155 - A2 - newton's second law
PX155 - A3 - newton's third law
PX155 - A4 - scalars and vectors
PX155 - A5 - static and dynamic friction
PX155 - A6 - block on a slope
PX155 - A7 - gravitational force
PX155 - B - systems of particles, accelerations
B - systems of particles and acceleration
PX155 - B1 - systems of particles I
PX155 - B2 - continuous bodies
PX155 - B3 - forces out of balance
PX155 - B4 - equations of motion
PX155 - C - work and energy
C - work and energy
PX155 - C1 - work and kinetic energy
PX155 - C2 - conservative forces, potential energy
PX155 - C3 - gravitational potential energy
PX155 - C4 - using energy conservation
PX155 - C5 - power
PX155 - D - simple harmonic motion
D - simple harmonic motion
PX155 - D1 & D2 - oscillations & mass on a spring
PX155 - D10 - pendulums and SHM
PX155 - D3 - solving the SHM equation
PX155 - D4 - initial conditions
PX155 - D5 - energy and SHM
PX155 - D6 - SHM and complex exponentials
PX155 - D7 - damped oscillations
PX155 - D8 - 3 regimes of damping
PX155 - D9 - driven damped simple harmonic motion
PX155 - E - circular motion, rotation of bodies
E - circular motion, rotation of bodies
PX155 - E1 - circular motion
PX155 - E10 - systems of particles III
PX155 - E11 - moment of inertia for continuous rigid bodies
PX155 - E12 - example of moments of intertia
PX155 - E13 - cylinder rolling down a slope
PX155 - E14 - parallel axis theorem
PX155 - E15 - the compound pendulum
PX155 - E16 - using conservation of momentum
PX155 - E2 - angular velocity vector
PX155 - E3 - circular motion and rolling
PX155 - E4 - centripetal acceleration
PX155 - E5 - moments
PX155 - E6 - system of particles II
PX155 - E7 - back to levers
PX155 - E8 - angular momentum of a particle moving in a circle
PX155 - E9 - orbital angular momentum
PX155 - F - collisions
F - collisions
PX155 - F1 - collisions in 1D
PX155 - F2 - collisions in 3D
PX155 - classical mechanics - summary
special relativity
PX155 - G - foundations of special relativity
G - foundations of special relativity
PX155 - G1 - gallilean transforms
PX155 - G2 - galilean invariance and light
PX155 - G3 - the postulates of special relativity
PX155 - G4 - relativity of simultaneity
PX155 - G5 - coordinate transforms
PX155 - H - the lorentz transformations
H - the lorentz transformation
PX155 - H1 - lorentz transformation
PX155 - H2 - length contraction
PX155 - H3 - time dilation
PX155 - H4 - relativistic doppler effect - seeing vs observing
PX155 - H5 - the twin paradox
PX155 - H6 - relativistic velocity addition
PX155 - I - relativistic momentum mass and energy
I - relativistic momentum, mass, and energy
PX155 - I1 - momentum
PX155 - I2 - relativistic momentum
PX155 - I3 - causality
PX155 - I4 - light cones
PX155 - I5 - relativistic kinetic energy
PX155 - I6 - mass, energy, and momentum
PX155 - I7 - massless particles
PX155 - I8 - particle accelerators
PX155 - I9 - how far could you go
review before exam
PX156 - quantum phenomena
PX156 - 0 - quantum phenomena
PX156A - quantum phenomena
PX156 - A - light
A - light
PX156 - A1 - background
PX156 - A2 - blackbody radiation and laws
PX156 - A3a - blackbody models
PX156 - A3b - planck's function
PX156 - A3c - boltzmann distribution
PX156 - A4 - the photoelectric effect
PX156 - A5 - the compton effect
PX156 - B - atomic stucture
B - atomic structure
PX156 - B1 - atoms and atomic spectra
PX156 - B2 - bohr's model
PX156 - B3 - de broglie hypothesis
PX156 - B4 - classical vs quantum
PX156 - C - quantum mechanics
C - quantum mechanics
PX156 - C1 - the schrodinger equation
PX156 - C2 - matter waves
PX156 - C3 - wave packets
PX156 - C4 - gaussian distribution
PX156 - C5 - top-hat distribution
PX156 - C6 - the uncertainty principle
PX156 - D - time independent schrodinger equation
D - time independent schrödinger equation
PX156 - D1 - time independent schrödinger equation
PX156 - D2 - infinite potential well
PX156 - D3 - finite potential well
PX156 - D4 - classical and quantum particle
PX156 - D5 - the finite potential barrier
PX156 - D6 - rutherford scattering experiment
PX156 - D7 - alpha decay of nuclei
PX156B - particle physics
PX156 - E - introduction
E - introduction
PX156 - E1 - guides
PX156 - E2 - forces
PX156 - E3 - unification
PX156 - E4 - units
PX156 - E5 - scales
PX156 - F - the particle zoo
F - the particle zoo
PX156 - F1 - quantum number
PX156 - F2 - categorization
PX156 - F3 - leptons
PX156 - F4 - quarks
PX156 - F5 - quark combinations
PX156 - F6 - conservation of quantum numbers in interactions
PX156 - G - feynmann diagrams
E - feynmann diagrams
PX156 - G1 - introduction
PX156 - G2 - interactions
PX156 - G3 - basic rules
PX156 - G4 - strategies of drawing a feynmann diagram
PX156 - G5 - virtual particles
PX156 - H - aspects of the forces
H - aspects of the forces
PX156 - H1 - the electromagnetic force
PX156 - H2 - the strong force
PX156 - H3 - the weak force
PX156 - I - symmetries
I - symmetries
PX156 - I1 - symmetries
PX156 - I2 - continuous symmetries
PX156 - I3 - discrete symmetries
PX156 - I4 - internal symmetries
PX156 - J - particle decays & relativistic kinematics
J - particle decays & relativistic kinematics
PX156 - J1 - decays
PX156 - J2 - decay channels
PX156 - J3 - relativistic invariants
PX156 - J4 - two body collisions
PX156 - J5 - natural sources of particles
PX156 - K - accelerators & detectors
K - accelerators & detectors
PX156 - K1 - introduction
PX156 - K2 - linear accelerator
PX156 - K3 - cyclotron
PX156 - K4 - synchrotron
PX156 - K5 - detectors
PX156 - K6 - detector design
review before exam
PX157 - electricity and magnetism
PX157 - 0 - electricity and magnetism
PX157 - A - coulomb's law
A - coulomb's law
PX157 - A1 - introduction
PX157 - A2 - coulomb's law
PX157 - A3 - principle of super position
PX157 - B - electric fields
I - field
PX157 - B1 - introduction
PX157 - B2a - electric field from a continuous distribution
PX157 - B2b - electric field from an infinite line of charge
PX157 - B3 - electrical dipoles
PX157 - B4a - electric flux
PX157 - B4b - electric flux from an arbitrary surface
PX157 - B5a - gauss's law
PX157 - B5b - electric field from a uniformly charged sphere
PX157 - B5c - electric field from an infinite line of charge
PX157 - B5d - electric field from an infinite plane of charge
PX157 - B6a - conductors
PX157 - B6b - electric field around a conductor
PX157 - B6c - faraday cage
II - potentials
PX157 - B7a - electric potential energy
PX157 - B7b - potential energy and potential of two point charges
PX157 - B7c - electric potential
PX157 - B8a - calculating potentials
PX157 - B8b - potential of a point charge
PX157 - B8c - potential of a ring of charges
PX157 - B8d - potential of an infinite line of charge
PX157 - B8e - potential difference between two oppositely charged plates
PX157 - B8f - potential of an ideal electric dipole
PX157 - B9 - potential gradients
III - properties
PX157 - B10 - capacitors
PX157 - B11 - field energy
PX157 - B12a - dielectrics
PX157 - B12b - relative permittivity
PX157 - B13a - current
PX157 - B13b - resistance
PX157 - B13c - electromotive force
IV - circuits
PX157 - B14a - circuits - kirchhoff's rules
PX157 - B14b - circuits - maxwell loops
PX157 - B14c - circuits - RC circuit
B - electric fields
PX157 - C - magnetic fields
C - magnetic fields
PX157 - C10a - classification of materials
PX157 - C10b - diamagnetic materials
PX157 - C10c - paramagnetic materials
PX157 - C10d - ferromagnetic materials
PX157 - C10e - working of a magnet
PX157 - C1a - the lorentz force
PX157 - C1b - magnetic flux
PX157 - C1c - a charge in a magnetic field
PX157 - C2 - force of current loops
PX157 - C3a - the biot-savart law
PX157 - C3b - the biot-savart law applied to a wire
PX157 - C3c - magnetic field of a straight wire
PX157 - C3d - forces between two current loops
PX157 - C4a - ampere's law
PX157 - C4b - magnetic field of an infinite straight wire
PX157 - C4c - magnetic field on a long cylindrical conductor
PX157 - C4d - magnetic field on a long cylindrical wire with a hole
PX157 - C8 - solenoid
PX157 - C9 - magnetic dipole moment
PX157 - D - induction
D - induction
PX157 - D1a - faraday's law
PX157 - D1b - a moving crossbar
PX157 - D1c - lenz's law
PX157 - D1d - motional emf
PX157 - D1e - a rotating conducting rod in a magnetic field
PX157 - D1f - a falling magnet in a pipe
PX157 - D2 - induced electric fields
PX157 - D3a - inductors
PX157 - D3b - faraday's law for solenoid or inductor
PX157 - D3c - magnetic field energy
PX157 - D3d - inductors in series
PX157 - D3e - inductors in parallel
PX157 - D4 - transformer
PX157 - Dx1 - displacement current
PX157 - Dx2 - maxwell's equations
PX157 - E - AC circuits
E - AC circuits
PX157 - E1 - complex representation
PX157 - E2 - complex impedences
PX157 - E3 - kirchhoff's laws for AC circuits
PX157 - E4a - LRC circuits 1
PX157 - E4b - LRC circuits 2
PX157 - E4c - LRC circuits 3
PX157 - E4d - solving as an ODE
PX157 - E5 - AC power
review before exam
PX158 - astronomy
PX158 - 0 - astronomy
problem sheets
Problem sheets
PX158 - PS1
PX158 - PS2
PX158 - PS3
PX158 - PS4
PX158 - PS5
PX158 - A - introduction
A - introduction
PX158 - A1 - introduction
PX158 - B - the celestial sphere
B - the celestial sphere
PX158 - B1 - introduction
PX158 - B2 - maximum altitude
PX158 - B3 - measuring time
PX158 - C - angles and parallax
C - angles and parallax
PX158 - C1 - parallax
PX158 - C2 - proper motion
PX158 - D - fluxes and magnitudes
D - fluxes and magnitudes
PX158 - D1 - luminosity and flux
PX158 - D2 - brightness and magnitudes
PX158 - E - telescopes
E - telescopes
PX158 - E1 - introduction
PX158 - E2 - extended objects
PX158 - F - blackbody and colours
F - black bodies and colours
PX158 - F1 - black body radiation
PX158 - F2 - luminosity-temperature-radius of stars
PX158 - F3 - colours
PX158 - G - astronomical masses
G - astronomical masses
PX158 - G1 - two masses in a mutual circular orbit
PX158 - G2 - spectroscopic binaries
PX158 - G3 - gravitational lensing
PX158 - H - the solar system and exoplantes
H - the solar system and exoplanets
PX158 - H1 - introduction
PX158 - H2 - temperature of solar system bodies
PX158 - H3 - planets
PX158 - H4 - exoplanets
PX158 - I - stars
I - stars
PX158 - I1 - hertzprung-russell diagram
PX158 - I2 - stellar classes
PX158 - I3 - theoretician's H-R diagram
PX158 - I4 - star clusters
PX158 - I5a - pressure at the centre of stars
PX158 - I5b - temperature at the centre of stars
PX158 - I6a - stellar evolution
PX158 - I6b - mass-luminosity relationship
PX158 - I6c - evolution of a sun-like star
PX158 - I6d - stars by masses
PX158 - I7a - white dwarfs
PX158 - I7b - neutron stars
PX158 - I7c - chandrashekhar limit
PX158 - I7d - blackholes
PX158 - J - galaxies
J - galaxies
PX158 - J1 - introduction
PX158 - J2 - types of galaxies
PX158 - J3 - weighing galaxies
PX158 - J4 - central blackholes
PX158 - K - the universe
K - the universe
PX158 - K1 - hubble's law
PX158 - K2 - the age of the universe
PX158 - K3 - cosmic microwave background
PX158 - K4 - the big bang theory
PX158 - K5 - density of the universe
review before exam
012
012 year 2
PX262 - quantum mechanics
term 1
A - recap
A - recap
PX262 - A1 - photoelectric effect
PX262 - A2 - compton scattering
PX262 - A3 - line spectra
PX262 - A4 - bohr's model
PX262 - A5 - debroglie waves
PX262 - A6 - wave-particle duality
PX262 - A7 - the uncertainty principle
B - introduction
B - introduction
PX262 - B1 - schrödinger equation
PX262 - B2 - time-independent schrödinger equation
PX262 - B3 - boundary conditions
PX262 - B4 - particle in an infinite square well
PX262 - B5 - quantum tunnelling
PX262 - B6 - 1D harmonic oscillator
C - the basic postulates
C - the basic postulates
PX262 - C10 - the basic postulates
PX262 - C1a - the wavefunction
PX262 - C1b - postulate 1
PX262 - C1c - example problem
PX262 - C2a - the dynamical variables
PX262 - C2b - momentum & position operator
PX262 - C2c - postulates 2 & 3
PX262 - C3 - orthonormality
PX262 - C4 - probability distributions
PX262 - C4b - postulate 4
PX262 - C4c - continuous eigenvalues
PX262 - C5 - expectation value
PX262 - C6a - commutation relations
PX262 - C6b - compatibility of operators
PX262 - C7a - the uncertainty principle
PX262 - C8 - postulate 5
PX262 - C9a - degeneracy
PX262 - C9b - schmidt orthogonalization
PX262 - C9c - compatibility of measurements
D - ladder operators and angular momentum
D - ladder operators and angular momentum
PX262 - D1 - ladder operators
PX262 - E1a - angular momentum operators
PX262 - E1b - compatibility
PX262 - E2 - eigenvalues and eigenfunctions
F - 3D systems
F - 3D systems
PX262 - F1 - the schrödinger equation in 3D
PX262 - F2a - particle in an infinite potential well
PX262 - F2b - degeneracy
PX262 - F3 - 3D harmonic oscillator
PX262 - F4 - separation in spherical polar coordinates
PX262 - F5 - particle in a spherical potential well
PX262 - F6 - hydrogenic atom
PX262 - F7 - properties of hydrogen-like atoms
G - additional interactions
G - additional interactions
PX262 - G1 - particle with angular momentum in magnetic field
PX262 - G2a - stern-gerlach experiment
PX262 - G2b - spin
PX262 - G3 - matrix representation
PX262 - G4 - pauli spin matrices
PX262 - G5 - multielectron atoms
PX262 - G6a - interactions of moments
PX262 - G6b - spin-orbit coupling
PX262 - G6c - zeeman effect
PX262 - G7a- pure spin-orbit coupling
PX262 - G7b - strong-field zeeman effect
PX262 - G7c - weak-field zeeman effect
PX262 - G8 - photon emission from atoms
term 2
H - free electron model
H - free electron model
PX262 - H1 - current
PX262 - H2 - quantum mechanics and many particles
PX262 - H3 - free electron model (1D)
PX262 - H4 - free electron model (3D)
PX262 - H5 - metals in a magnetic field
I - nuclear matter
I - nuclear matter
PX262 - I1 - nuclear matter and the liquid drop model
PX262 - I2 - implications for nature of nuclear forces
PX262 - I3 - liquid drop model of nucleus
J - atoms and molecules
J - atoms and molecules
PX262 - J1 - electrons in atoms and molecules
PX262 - J2 - electronic configurations
PX262 - J3 - molecules
PX262 - J4 - interacting electrons and nuclei in matter
PX262 - J5 - density functional theory
K - crystalline solids
K - crystalline solids
PX262 - K1 - electrons in crystalline solids
PX262 - K2 - reciprocal lattice and reciprocal space
PX262 - K3 - wavevector space and brillouin zone
PX262 - K4 - electrons in crystalline solids
PX262 - K5 - block wavefunctions, electronic energy bands and gaps
PX262 - K6 - energy gaps
L - semiconductors
L - semiconductors
PX262 - L1 - introduction to semiconductors
PX262 - L2 - n- and p-type semiconductors
PX262 - L3 - p-n junction
M - basic postulates revisited
M - basic principles revisited
PX262 - M1 - introduction to spin
PX262 - M2 - recap
PX262 - M3 - dirac notation
N - relativity and quantum mechanics
N - relativity and quantum mechanics
PX262 - N1 - klein-gordon equation
PX262 - N2 - dirac equation
PX262 - N3 - prediction of antiparticles
PX262 - 0 - quantum mechanics
PX275 - mathematical methods
PX275 - 0 - mathematical methods
term 1
A - differentiation
1 - introduction A1 & A2
PX275 - A1a - partial differentiation
PX275 - A1b - total differentiation
PX275 - A2 - exact and inexact differentials
PX275 - A2a - inexact differentials
PX275 - A2b - testing for exact differentials
PX275 - A2c- maxwell's thermodynamic relation
2 - advanced A3, A4 & A5
PX275 - A3a - the chain rule
PX275 - A3b - example
PX275 - A3c - change of variables and coordinate system
PX275 - A3e - chain rule additional
PX275 - A4a - directional derivatives
PX275 - A4c - the laplacian
PX275 - A5 - lagrange multipliers
PX275 - A5b - definition using gradient
A - differentiation
B - coordinate systems and integration
B1 - coordinate systems
B1 - coordinate systems
PX275 - B1a - cylindrical polar coordinates
PX275 - B1b - cylindrical polar basis vectors
PX275 - B1c - cylindrical polar representation
PX275 - B1d - time derivatives
PX275 - B1e - spherical polar coordinates
PX275 - B1f - spherical basis vectors
PX275 - B1g - spherical polar representation
B2-4 - integration
B2-4 - integration
PX275 - B2 - multiple integration
PX275 - B2a - 1D integrals in 2D and 3D
PX275 - B2b - simple examples of line integrals
PX275 - B3 - jacobian
PX275 - B3a - hyperbolic coordinates
PX275 - B4a - surface of revolution
PX275 - B4b - example - a cone
PX275 - B4c - example - a torus
PX275 - B4d - volumes of revolution
PX275 - B4e - pappus's first theorem
B - coordinate systems and integration
C - vector calculus
C - vector calculus
PX275 - C1a - gradient or gra
PX275 - C1b - divergence or div
PX275 - C1c - interpretation of div
PX275 - C1d - curl
PX275 - C1e - examples of curl
PX275 - C1f - example of curl II
PX275 - C1g - interpretation of curl
PX275 - C2a - grad squared
PX275 - C2b - examples of using the laplacian
D - vector integration
D1-2
PX275 - D1 - vector displacements
PX275 - D2a - line integrals with fields
PX275 - D2b - conservative vector fields
D3 - green's theorem
PX275 - D3a - green's theorem in the plane
PX275 - D3b - proof of green's theorem
PX275 - D3c - application of green's theorem
PX275 - D3d - area of an ellipse
PX275 - D3e - divergence theorem in 2D
PX275 - D3f - physical significance of the divergence theorem
PX275 - D3g - the physical significance of green's theorem in the plane
D4 - vector surface area
PX275 - D4a - flux of a vector field through a loop
PX275 - D4b - the vector surface area and element
PX275 - D4c - total vector surface area
PX275 - D4d - comments
D - vector integration
E - stoke's theorem and the divergence theorem
E - stokes' theorem and the divergence theorem
PX275 - E1a - stokes' theorem
PX275 - E1b - examples
PX275 - E2a - divergence theorem
PX275 - E2b - dirac delta
PX275 - E2c - example
PX275 - E2d - scalar fields
F - tensors and summation conventions
F - tensors and summation conventions
PX275 - F1 - tensors
PX275 - F2 - summation conventions
PX275 - F3 - levi-civita symbol
term 2
G - partial differential equations
G - partial differential equations
PX275 - G1 - functions of a single variable
PX275 - G10 - plane waves
PX275 - G11a - schrödinger equation
PX275 - G2 - functions of a multiple variables
PX275 - G3a - diffusion equation
PX275 - G3b - heat equation
PX275 - G4 - wave equation
PX275 - G5 - method of separation of variables
PX275 - G6 - boundary and initial conditions
PX275 - G7 - dirac delta function
PX275 - G8 - complex exponential form of solution in 3D
PX275 - G9 - orthogonality relations
PX275 -G11b - other examples
H - fourier series and transforms
H - fourier series and transforms
PX275 - H1 - complex fourier series
PX275 - H10 - FT and PDEs
PX275 - H11 - FT in data analysis
PX275 - H2 - calculating coefficients
PX275 - H3 - fourier transforms
PX275 - H4 - example of fourier transform
PX275 - H5 - parseval's theorem
PX275 - H6 - fourier transforms in the time domain
PX275 - H7a - convolutions
PX275 - H7b - examples of convolutions
PX275 - H8 - multidimensional convolutions
PX275 - H9 - FT and differential equations
I - optics
I - optics
PX275 - I0 - introduction to waves
PX275 - I1 - diffraction and interference
PX275 - I2 - huygen's principle and point sources
PX275 - I3 - point sources in 3D
PX275 - I4 - key geometry
PX275 - I5 - different path lengths
PX275 - I6a - square aperture
PX275 - I6b - rectangular aperture
PX275 - I6c - multiple slits
PX275 - I6d - circular aperture
PX275 - I7 - rayleigh criterion for resolution
PX275 - I8 - optical elements in instruments
PX275 - formula sheet
PX282 - stars and solar system
PX282 - 0 - stars & solar system
term 1 - stars
A - introduction
A - introduction
PX282 - A0 - hydrostatic equilibrium
PX282 - A1 - a star
PX282 - A10 - real spectra
PX282 - A2 - hertzsprung-russel diagrams
PX282 - A3 - luminosity and flux
PX282 - A4 - parallax and parsecs
PX282 - A5 - astrophysical observations
PX282 - A6 - magnitudes, band passes, colours
PX282 - A7 - inside a star
PX282 - A8 - solid angle
PX282 - A9 - connection to luminosity
B - spectral classification
B - stellar spectroscopy and classification
PX282 - B1 - spectral classification
PX282 - B2 - typical spectral lines
PX282 - B3 - spectral lines and classes
C - stellar atmosphere
C1-4 - boltzmann-saha
PX282 - C1 - the physics of line strength
PX282 - C2a - the boltzmann equation
PX282 - C2b - an alternate form
PX282 - C3 - the saha equation
PX282 - C4 - the boltzmann-saha equation
C10-13 - radiative transfer
PX282 - C10a - radiative transfer equation
PX282 - C10b - understanding the radiative transfer equation
PX282 - C11 - radiation pressure
PX282 - C12 - temperature structure
PX282 - C13 - limb darkening
C5-8 - stellar atmospheres
PX282 - C5 - definitions
PX282 - C6a - radiation-matter interactions
PX282 - C6b - intensity after absorption
PX282 - C7 - mean free path
PX282 - C8 - optical depth
C9 - sources of opacity
PX282 - C9a - sources of opacity
PX282 - C9b - bound-bound absorption
PX282 - C9c - bound-free absorption
PX282 - C9d - free-free absorption
PX282 - C9e - scattering
PX282 - C9f - deionized hydrogen
PX282 - C9g - combined opacity
C - stellar atmospheres
D - stellar structure and interiors
D - solar structure and interiors
PX282 - D1 - stellar interiors
PX282 - D2 - energy generation and transport
PX282 - D2b - radiation
PX282 - D2c - convection
PX282 - D3 - equations of state
PX282 - D4 - virial theorem - energy in stars
PX282 - D5 - energy sources and timescales
PX282 - D6 - nuclear binding energies
PX282 - D7 - PP1 fusion chain
E - stellar evolution
E - stellar evolution
PX282 - E1a - star formation
PX282 - E1b - initial mass function
PX282 - E2 - protostar
PX282 - E3 - main sequence
PX282 - E4 - turnoff points and stellar clusters
PX282 - E5a - post-main sequence evolution
PX282 - E5b - red giant branch (RGB)
PX282 - E5c - helium flash
PX282 - E5d - horizontal branch
PX282 - E5e - asymptotic giant branch (AGB)
PX282 - E5f - post AGB
PX282 - E6 - higher mass stars
PX282 - E7 - remnants
PX282 - E8 - supernova Ia
F - binary stars and fundamental parameters
F - binary stars and fundamental parameters
PX282 - F1 - binary stars
PX285 - F2 - visual binaries
PX285 - F3 - spectroscopic binaries
PX285 - F4 - eclipsing binaries
term 2 - solar system
G - the sun
G - the sun
PX282 - G1 - fundamental properties
PX282 - G2 - internal structure
PX282 - G3 - sunspots
PX282 - G4 - solar atmosphere
PX282 - G5 - solar activity cycle
H - introduction to the planets
H - introduction to the planets
PX282 - H1 - planets
PX282 - H2 - spectrum of a planet
I - planetary motion
I - planetary motion
PX282 - I1 - models
PX282 - I2 - kepler's laws
PX282 - I3 - newtons' laws
PX282 - I4 - energy in orbits
PX282 - I5 - two body problem
PX282 - I6a - three body problem I
PX282 - I6b - three body problem II
PX283 - I7 - tides
J - terrestrial planets
J - terrestrial planets
PX282 - J1 - mercury
PX282 - J2 - venus
PX282 - J3 - earth
PX282 - J4 - mars
PX282 - J5 - interiors
PX282 - J6 - surfaces
PX282 - J7a - atmospheres
PX282 - J7b - greenhouse effect
PX282 - J7c - earth and venus
PX282 - J7d - atmospheric escape
PX282 - J8 - orbits
PX282 - J9 - moons
K - giant planets
K - giant planets
PX282 - K1 - composition
PX282 - K2a - interiors of gas giants
PX282 - K2b - interiors of ice giants
PX282 - K3 - internal heat
PX282 - K4 - atmosphere
PX282 - K5 - moons
L - formation of solar system
L - formation of solar system
PX282 - L1 - nebular hypothesis
PX282 - L2 - core accretion
M - habitability
M - habitability and extraterrestrial life
PX282 - M1 - requirements for life
PX282 - M2 - possible environments for life
PX284 - SMETO
part 1 - statistical mechanics
A - probability
A - probability
PX284 - A1 - discrete probability distributions
PX284 - A2 - continuous probability distributions
PX284 - A3 - the bernoulli trial
PX284 - A4 - bayes' theorem
B - introduction
B - introduction
PX284 - B0 - approaches to thermal physics
PX284 - B1 - the system
PX284 - B2 - microstates and macrostates
PX284 - B3 - assumptions
PX284 - B4 - ensembles
C - entropy and temperature
C - entropy and temperature
PX284 - C1a - boltzmann entropy formula
PX284 - C1b - combining systems
PX284 - C1c - isothermal expansion
PX284 - C1d - second law
PX284 - C2 - temperature
PX284 - C3 - boltzmann distribution
PX284 - C4 - measuring entropy
PX284 - C5 - general definition of entropy
D - equipartition theorem
D - equipartition theorem
PX284 - D1 - equipartition theorem
PX284 - D2 - applications of the equipartition theorem
E - single-particle partition function
E - single-particle partition function
PX284 - E0 - solving problems in statistical mechanics
PX284 - E1a - functions of state
PX284 - E1a -internal energy
PX284 - E1b - entropy
PX284 - E1c - helmholtz free energy
PX284 - E1d - others
PX284 - E2 - two-level system (revisited)
PX284 - E3 - harmonic oscillator in 1D
PX284 - E4 - degeneracy
PX284 - E5b - combining partition functions
PX284 - E5b - harmonic oscillator in 3D
PX284 - E5c - spin-half paramagnet
F - connection between thermodynamics and statistical mechanics
F - connection between thermodynamics and statistical mechanics
PX284 - F1 - isolated system or microcanonical ensemble
PX284 - F2a - systems with fixed T and V or canonical ensemble
PX284 - F2b - aside on lagrange multipliers
G - fluctuations
G - fluctuations
PX284 - G1 - energy deviation
PX284 - G2 - large systems
H - gases
H - gases
PX284 - H0 - introduction
PX284 - H1 - density of states (DOS)
PX284 - H2 - single-particle partition function
PX284 - H3 - distinguishability
PX284 - H4 - ideal gas
PX284 - H5 - gibbs paradox
I - chemical potential
I - chemical potential
PX284 - I1 - definition
PX284 - I2 - significance
PX284 - I3 - grand canonical ensemble
PX284 - I4 - conservation laws
J - photons
J - photons
PX284 - J1 - blackbody radiation
PX284 - J2 - statistical mechanics of photons
PX284 - J3 - cosmic microwave background
K - phonons
K - phonons
PX284 - K1 - einstein model
PX284 - K2 - debye model
L - exchange symmetry
L - exchange symmetry
PX284 - L1 - exchange symmetry
PX284 - L2 - pauli exclusion principle
PX284 - L3 - distribution functions
M - fermions
M - fermions
PX284 - M1 - electron gas
PX284 - M2 - fermi energy
PX284 - M3 - degeneracy pressure
PX284 - M4 - heat capacity
PX284 - M5 - neutron stars
N - bosons
N - bosons
PX284 - N1 - recap
PX284 - N2 - boson gases
PX284 - N3 - bose-einstein condensation
part 2 - electromagnetic theory
PX284 - 0 - statistical mechanics, electromagnetic theory & optics
O - introduction to EMT
O - introduction to EMT
PX284 - O1 - required maths
PX284 - O2 - electric and magnetic fields
PX284 - O3 - charge
PX284 - O4 - maxwell's equations in differential form
PX284 - O5 - electrostatics
PX284 - Ox - maxwell's equations in free space
P - EM waves
P - electromagnetic waves in free space
PX284 - P1 - introduction to EM waves
PX284 - P2 - energy in EM fields
PX284 - P3 - flux in EM waves
Q - maxwell's equations in matter
PX284 - Q1a - polarization
PX284 - Q1b - polarization of a slab
PX284 - Q2 - magnetization
PX284 - Q3 - maxwell's equations in matter
PX284 - Q4 - boundary conditions
Q - maxwell's equations in matter
R - dielectrics
PX284 - R1 - waves in dielectrics
PX284 - R2 - poynting vector
R - dielectrics
S - EM waves at boundaries
PX284 - S1 - snell's law
PX284 - S2a - fresnel relations
PX284 - S2b - brewster's angle
PX284 - S2c - total internal reflection
PX284 - S3a - conductors
PX284 - S3b - reflections on boundaries with metals
S - EM waves at boundaries
T - geometric optics
PX284 - T1 - wavefronts and rays
PX284 - T2 - fermat's principle
PX284 - T3a - imaging
PX284 - T3b - spherical surface using intersecting cords theorem
PX284 - T3c - spherical surface using trigonometric properties
PX284 - T4 - thin lens
PX284 - T5 - principal rays
PX284 - T6 - images
PX284 - T7 - telescopes
T - geometric optics
U - wave optics
PX284 - U1- resolution
PX284 - U2 - thin film interference
PX284 - U3 - fabry-perot interferometry
U - wave optics
PX285 - hamiltonian mechanics & fluid dynamics
PX285 - 0 - hamiltonian mechanics & fluid dynamics
term 1 - hamiltonian mechanics
A - introduction
A - introduction
PX285 - A1 - newton's laws
PX285 - A2a - conservation laws
PX285 - A2b - angular momentum
B - variational principles
B - variational principles
PX285 - B1 - variational principles
PX285 - B2 - fermat's law in optics
PX285 - B3 - newtonian mechanics - the principle of least action
C - calculus of variations
C - calculus of variations
PX285 - C1 - the euler-lagrange equation
PX285 - C2 - coordinate change
PX285 - C3 - newton's second law
PX285 - C4 - simple pendulum
PX285 - C5 - a roller-coaster
PX285 - C6a - multi-coordinate problems
PX285 - C6b - a particle in a cartesian plane
PX285 - C6c - two particles in 1D
PX285 - C6d - two particles in 3D
D - the hamiltonian
D - the hamiltonian
PX285 - D1 - the hamiltonian
PX285 - D2 - a constant of the motion
PX285 - D3 - the conservation of energy
PX285 - D4 - roller-coaster revisited
E - conservation laws and symmetries
E - conservation laws and symmetries
PX285 - E1 - noether's theorem
PX285 - E2 - translation of space
PX285 - E3 - translation in time
PX285 - E4 - rotation of space
F - hamilton's equations
F - hamilton's equations
PX285 - F1 - hamilton's equations
PX285 - F2 - phase space
PX285 - F3a - particle in 1D
PX285 - F3b - pendulum
PX285 - F4 - gyroscope
PX285 - F5 - central forces - particle approaching the sun
G - normal modes and small oscillations
G - normal modes and small oscillations
PX285 - G1 - inertia tensor
PX285 - G2 - stiffness matrix
PX285 - G3 - derivation from examples
PX285 - G4 - attached particles on springs
PX285 - G5 - non-diagonal inertia matrix
PX285 - G6 - summary
PX285 - G7 - example
PX285 - G8 - diatomic molecule
PX285 - G9 - triatomic molecule
term 2 - fluid dynamics
H - introduction to fluids
H - introduction to fluids
PX285 - H1 - fluids
PX285 - H2 - fluid approach
PX285 - H3 - mechanical perspective of fluids
PX285 - H4 - newton's law of viscosity
PX285 - H5 - fluid element
PX285 - H6a - stream line
PX285 - H6b - example of a flow
PX285 - H6c - example in a cylinder
PX285 - H7 - quantifying the effects of viscosity
I - navier-stokes equation
I - navier-stokes equation
PX285 - I1 - conservation of mass
PX285 - I2a - conservation of momentum
PX285 - I2b - advective derivative
PX285 - I3 - pressure equation
PX285 - I4 - core equations
PX285 - I5 - initial and boundary conditions
J - some approximate solutions
J - some approximate solutions
PX285 - J1a - bernoulli's principle from conservation of energy
PX285 - J1b - bernoulli's principle from navier-stokes equation
PX285 - J2 - hydrostatic limit and archimedes' principle
PX285 - J3 - water drain
PX285 - J4 - venturi pipe
PX285 - J5 - stagnation point
PX285 - J6 - pitot pipe
PX285 - J7- surface waves
PX285 - J8 - aerofoil
K - circulation and vorticity
K - circulation and vorticity
PX285 - K1 - vorticity
PX285 - K2 - kelvin's circulation theorem
L - potential flows
L - potential flows
PX285 - L1 - potential flows
PX285 - L2 - potential dipole
PX285 - L3 - potential flows involving cylinders and aerofoils
PX285 - L4a - lift and circulation - magnus effect
PX285 - L4b - aerofoil
PX285 - L5a - vortex lines
PX285 - L5b - interacting vortex lines
PX285 - L6 - potential flow over a wing
PX285 - L7 - boundary layers
PX285 - L8 - aerofoil lift
M - turbulence and drag
M - turbulence
PX284 - M1 - turbulence
013
013 placement
A - small angle scattering
A - small angle scattering
A1 - introduction
A10 - invariant calculation
A11 - slicers
A2 - structural significance
A3 - form factor
A4 - structure factor
A5 - neutron radiation
A6 - SANS
A7 - correlation function theory
A8 - neutron polarization
A9 - guinier approximation
B - python
1 - OOP
B1 - classes
B2 - raise
B3 - decorators
B4 - methods
B5 - inheritance
B6 - operator overloading
2 - additional
B10 - list comprehension
B11 - filter
B12 - enum
B13 - decorators
B14 - variable scopes and lookup
B15 - match
B16 - data classes
B17 - unittest framework
B18 - pytest framework
B19 - openGL
B20 - logging
B7 - type hints
B8 - argparse
B9 - args and kwargs
B - python
C - error statistics
C - error statistics
C1 - method of least squares
C2 - reduced-chi squared
Untitled
D - git
D - git
D1 - commits
D10 - reset
D11 - advanced workflows
D2 - branching and merging
D3 - rebasing
D4 - relative refs
D5 - reversing changes
D6 - cherry-picking and interactive rebasing
D7 - tag and describe
D8 - hooks
D9 - basic git workflow
E - PyQt
E - PyQt
E1 - getting started with PyQT
E2 - signals, slots and events
E3 - widgets
E4 - layouts
E5 - toolbars and menus - QAction
E6 - dialogs and alerts
E7 - multiwindow
F - mathematics
F - mathematics
F1 - maximum entropy principle
F2 - bessel functions
F3 - hankel transforms
G - programming practices
G - programming practices
G1 - command line
G2 - unit test
G3 - AI
H - yap
H - test-driven development
H1 - agile
PX390 - scientific computing
A - C foundations
A - C foundations
A1 - hello world
A2 - variables and data types
A3 - debugging and standard IO
A4 - strings
A5 - decision making
A6 - iteration
A7 - conditionals and loops
A8 - functions
A9 - derived data types
C - numerical methods
B - numerical methods
B1 - representing continuous functions and derivatives
B10 - numerical integration
B11 - numerical integration of ODEs
B12 - varying diffusion coefficients
B2 - convergence
B3 - local truncation error
B4 - discretising heat equation PDEs
B5 - implicit methods
B6a - advection equation
B6b - finite difference
B6c - upwinding
B7 - boundary conditions
B8 - 2D boundary value problem
B9 - numerical differentiation
x - working with vonneumann
x2 - code for transforming indices
x3 - compactly storing banded matrices
PX390 - 0 - scientific computing
014
014 Year 3
019
PX447 - quantum computation and simulation
A - introduction
A - computation theory
A1 - computation
A2 - circuit models
B - quantum computation
B - quantum computation
B1 - postulates
B2 - qubits
B3 - quantum computation
PX447 - 0 - quantum computation and simulation
019 extra learning
019
tasks
inv - status button popup
invariant - MVP
invariant - status button bug
slicers - multiple slicers, single plot
content
templates
general
Select a result to preview
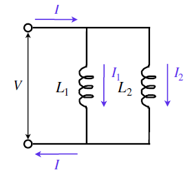
PX157 - D3e - inductors in parallel
same voltage,
V
, across both inductors
using
faraday's law
:
d
I
1
d
t
=
V
L
1
d
I
2
d
t
=
V
L
2
d
I
d
t
=
(
1
L
1
+
1
L
2
)
V
equivalent to a circuit with one inductor,
L
e
q
:
d
I
d
t
=
V
L
e
q
1
L
e
q
=
1
L
1
+
1
L
2
if both inductors have the same
A
,
N
,
μ
:
1
L
e
q
=
l
1
μ
N
2
A
+
l
2
μ
N
2
A
=
l
1
+
l
2
μ
N
2
A