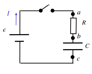
PX157 - B14c - circuits - RC circuit

charging a capacitor:
- at
- capacitor is not charged
- the circuit is closed:
- at
- from kirchhoff's loop rule:
- for
- solving a first order ODE : try
$$\tilde Q(t) = \int_{0}^{t} \frac{\epsilon}{R} e^{- \frac{t'}{RC}},dt' = \epsilon C (e^\frac{t}{RC}-1)$$


- typical rate of charging is given by the time constant, or the relaxation time :
discharging a capacitor
- at
- the battery is disconnected
, - loop rule:
- solving the C - first order ODEs :
- current:

