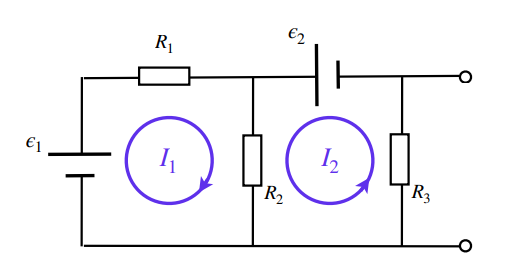
PX157 - B14b - circuits - maxwell loops
-
each loop in a circuit has its own current associated
-
at each component, the contributions of all adjacent added up
-
eg:

- for maxwell loop
- for maxwell loop
- for maxwell loop
- eg:

- for maxwell loop
- for maxwell loop
- for maxwell loop